
- Sopto Home
-

- SPET-P4311-SE2DB GEPON SFP OLT Transceiver
- Fiber Optic Transceiver Module
- High Speed Cable
- Fiber Optical Cable
- Fiber Optical Patch Cords
- Splitter CWDM DWDM
- PON Solution
- FTTH Box ODF Closure
- PCI-E Network Card
- Network Cables
- Fiber Optical Adapter
- Fiber Optical Attenuator
- Fiber Media Converter
- PDH Multiplexers
- Protocol Converter
- Digital Video Multiplexer
- Fiber Optical Tools
- Compatible
- Fiber Optic Transceiver Module
- High Speed Cable
- Fiber Optical Cable
- Fiber Optical Patch Cords
- Splitter CWDM DWDM
- PON Solution
- FTTH Box ODF Closure
- PCI-E Network Card
- Network Cables
- Fiber Optical Adapter
- Fiber Optical Attenuator
- Fiber Media Converter
- PDH Multiplexers
- Protocol Converter
- Digital Video Multiplexer
- Fiber Optical Tools
- Compatible
SPET-P4311-SE2DB GEPON SFP OLT Transceiver
SPET-P4311-SE2DB
GEPON SFP OLT Transceiver
Features
Single Fiber Transceiver with single mode SC receptacle
1490nm continuous-mode 1.25G/s transmitter with DFB laser
1310nm burst-mode 1.25G/s receiver with APD-TIA
Single 3.3V power supply
LVPECL compatible data input /output
Burst mode received signal strength indication (RSSI) output
Support more than 24dB dynamic range
Complies with IEEE Std 802.3ah™ -2004 1000BASE-PX20
Digital diagnostic interface compliant with SFF-8472 Rev 9.4
Complies with RoHS directive
Operating case temperature:
Standard: 0 to +70°C
Applications
Gigabit Ethernet Passive Optical Network (GEPON) OLT
Description
The SPET-P4311-SE2DB EPON SFP OLT transceiver is the high performance module for single fiber by using 1490nm continuous-mode transmitter and 1310nm burst-mode receiver. It is optical line terminal (OLT) for IEEE Stud 802.3ah™ -2004 1000BASE-PX20. The optical transceiver is compliant with the Small Form- Factor Pluggable (SFP) Multi-Source Agreement (MSA).
The transmitter section uses a 1490nm DFB LD with automatic power control (APC) function and temperature compensation circuitry to ensure stable extinction ratio overall operating temperature range. And it is Class I laser compliant IEC825 and CDRH standards. The receiver has a hermetically packaged APD-TIA (trans-impedance amplifier) pre-amplifier and a limiting amplifier with LVPECL compatible differential outputs.
The receiver also supports Burst mode RSSI output which is enabled by a trigger. Burst mode RSSI function can satisfy system the demand of monitoring the power from any ONU.
Absolute Maximum Ratings
Parameter | Symbol | Min. | Max. | Units | Notes |
Storage Temperature | Tst | -40 | +85 | °C | - |
Operating Case Temperature | Tc | 0 | 70 | °C | - |
Operating Humidity | RH | 5 | 90 | % | Non-condensing |
Input Voltage | - | GND | Vcc | V | - |
Power Supply Voltage | Vcc-Vee | 0 | 3.6 | V | - |
Recommended Operating Conditions
Parameter | Symbol | Min | Typical | Max | Unit | |
Operating Case Temperature | Standard | Tc | 0 | - | +70 | °C |
PowerSupplyVoltage | Vcc | 3.13 | 3.3 | 3.47 | V | |
Power Supply Current | Icc | - | - | 400 | mA | |
Optical and Electrical Characteristics
Parameter | Symbol | Min | Typical | Max | Unit | Notes | |
Transmitter | |||||||
Data Rate |
|
| 1.25 |
| Gb/S |
| |
Centre Wavelength | λc | 1480 |
| 1500 | nm |
| |
Spectral Width | ∆λ |
| 0.4 | 1 | nm |
| |
Side Mode Suppression Ratio | SMSR | 30 |
|
| dB |
| |
Average Output Power(BOL) | Pout | 3 |
| 7 | dBm | 1 | |
Average Output Power(EOL) | Pout | 2 |
| 7 | dBm | 1 | |
Extinction Ratio | ER | 9 |
|
| dB |
| |
Average Launch Power-OFF Transmitter | Poff |
|
| -40 | dBm |
| |
Optical Eye Diagram | Compliant with IEEE802.3ah-2004 PX20 | ||||||
Optical Rise/ Fall Time(20%~80%) | tr/tf |
|
| 260 | ps |
| |
Data Input Swing Differential | VIN | 200 |
| 2400 | mV | 2 | |
Input Differential Impedance | ZIN | 90 | 100 | 110 | Ω |
| |
TX Disable | Disable |
| 2.0 |
| Vcc | V |
|
Enable |
| 0 |
| 0.8 | V |
| |
TX Fault | Fault |
| 2.0 |
| Vcc | V |
|
Normal |
| 0 |
| 0.8 | V |
| |
Receiver | |||||||
Data Rate |
|
| 1.25 |
| Gb/S |
| |
Centre Wavelength | λc | 1260 |
| 1360 | nm |
| |
Receiver Sensitivity | Sen |
|
| -28 | dBm | 3 | |
Receiver Overload | Sat | -6 |
|
| dBm | 3 | |
Receiver Burst Dynamic Range |
| 22 |
|
| dB |
| |
Receiver Reflectance |
|
|
| -20 | dB |
| |
Data Output Voltage-High | VOH | VccR-1.05 |
| VccR–0.85 | V | 4 | |
Data Output Voltage-Low | VOL | VccR-1.84 |
| VccR–1.60 | V | 4 | |
LOS De-assert Level | LOS_D |
|
| -29 | dBm |
| |
LOS Assert Level | LOS_A | -45 |
|
| dBm |
| |
LOS Detect Hysteresis |
| 1 |
|
| dBm |
| |
LOS_Det High |
| 2.0 |
| VCC | V |
| |
LOS_Det Low |
| 0 |
| 0.8 | V |
| |
LOS De-assert Time | LOS_DT |
|
| 500 | ns |
| |
LOS Assert Time | LOS_AT |
|
| 500 | ns |
| |
Receiver Power DDM (RSSI) Error | RXDDM |
|
| +/-3 | dBm |
| |
Notes:
1. The optical power is launched into SMF.
2. PECL input, internally AC-coupled and terminated.
3. Measured with a PRBS 27-1 test pattern @1250Mbps, BER ≤1×10-10.
4. Internally DC-coupled.
Diagnostics
Parameter | Range | Unit | Accuracy | Calibration |
Temperature | 0 to +70 | °C | ±3°C | Internal/External |
Voltage | 3.0 to 3.6 | V | ±3% | Internal/External |
Bias Current | 0 to 100 | mA | ±10% | Internal/External |
TX Power | 2 to 7 | dBm | ±3dB | Internal/External |
RX Power | -28 to -6 | dBm | ±3dB | Internal/External |
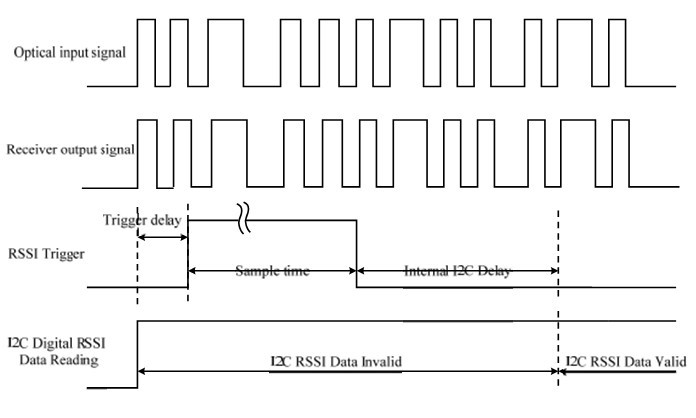
Timing Characteristics for Digital RSSI
Parameter | Symbol | Min. | TYP | MAX | UNITS |
Triggerdelay | Td | 300 |
|
| ns |
Sampletime | Ts | 600 |
|
| ns |
Internal I2C Delay | TI2C |
|
| 500 | us |
Digital RSSI |
|
|
|
|
|

Figure 1 Digital RSSI Timing
Digital Diagnostic Memory Map
The transceivers provide serial ID memory contents and diagnostic information about the present operating conditions by the 2-wire serial interface (SCL, SDA).
The diagnostic information with internal calibration or external calibration all are implemented, including received power monitoring, transmitted power monitoring, bias current monitoring, supply voltage monitoring and temperature monitoring.
The digital diagnostic memory map specific data field defines as following.

Pin Definitions
Pin Diagram.jpg)
Pin Descriptions
Pin | Signal Name | Description | PlugSeq. | Notes |
1 | VEET | Transmitter Ground | 1 |
|
2 | TX FAULT | Transmitter Fault Indication | 3 | Note1 |
3 | TX DISABLE | Transmitter Disable | 3 | Note2 |
4 | MOD_DEF(2) | SDA Serial Data Signal | 3 | Note3 |
5 | MOD_DEF(1) | SCL Serial Clock Signal | 3 | Note3 |
6 | MOD_DEF(0) | TTLLow | 3 | Note3 |
7 | RSSI TRIG | CMOS input. Assert high at the beginning of the monitored burst package. Atleast 600ns in duration | 3 | Note4 |
8 | LOS | Burst signal detect | 3 | Note5 |
9 | VEER. | Receiver ground | 1 |
|
10 | VEER | Receiver ground | 1 |
|
11 | VEER | Receiver ground | 1 |
|
12 | RD- | Inv. Received Data Out | 3 | Note6 |
13 | RD+ | Received Data Out | 3 | Note6 |
14 | VEER | Receiver ground | 1 |
|
15 | VCCR | ReceiverPowerSupply | 2 |
|
16 | VCCT | Transmitter Power Supply | 2 |
|
17 | VEET | Transmitter Ground | 1 |
|
18 | TD+ | Transmit Data In | 3 | Note7 |
19 | TD- | Inv. Transmit Data In | 3 | Note7 |
20 | VEET | Transmitter Ground | 1 |
|
Notes:
Plug Seq.: Pin engagement sequence during hot plugging.
1) TX Fault is an open collector output, which should be pulled up with a 4.7k~10kΩ resistor on the host board to a voltage between 2.0V and Vcc+0.3V. Logic 0 indicates normal operation; Logic 1 indicates a laser fault of some kind. In the low state, the output will be pulled to less than 0.8V.
2) TX Disable is an input that is used to shut down the transmitter optical output. It is pulled up within the module with a 4.7k~10kΩ resistor. Its states are:
Low (0 to 0.8V): Transmitter on
(>0.8V, < 2.0V): Undefined
High (2.0 to 3.465V): Transmitter Disabled
Open: Transmitter Disabled
3) Mod-Def. 0, 1,2. These are the module definition pins. They should be pulled up with a 4.7k~10kΩ resistor on the host board. The pull-up voltage shall be VccT or VccR.
Mod-Def. 0 is grounded by the module to indicate that the module is present
Mod-Def. 1 is the clock line of two wire serial interface for serial ID
Mod-Def. 2 is the data line of two wire serial interface for serial ID
4) RSSI TRIG is a CMOS input. Assert high after 300ns delay time of the beginning of the monitored burst package, at least 600ns in duration
5) LOS (Loss of Signal) is an open collector/drain output, which should be pulled up with a 4.7K – 10KΩ resistor. Pull up voltage between 2.0V and VccT, R+0.3V. When high, this output indicates the received optical power is below the worst-case receiver sensitivity (as defined by the standard in use). Low indicates normal operation. In the low state, the output will be pulled to < 0.8V.
6) RD-/+: These are the differential receiver outputs. They are internally DC-coupled 100 differential lines which should be terminated with 100Ω (differential) at the user SERDES.
7) TD-/+: These are the differential transmitter inputs. They are internally AC-coupled, differential lines with 100Ω differential termination inside the module.
Recommended Interface Circuit
Mechanical Dimensions
Ordering information
Part Number | Product Description |
| SPET-P4311-SE2DB | Tx 1490nm, Rx 1310nm, 1.25Gbps/1.25Gbps, 1000BASE-PX20, 0º C~+70º C,DDM |
E-mail:sales@sopto.com

