
- Sopto Home
-

- 4.25Gbps SFP Optical Transceiver SPT-P854G-S5xD
- Fiber Optic Transceiver Module
- High Speed Cable
- Fiber Optical Cable
- Fiber Optical Patch Cords
- Splitter CWDM DWDM
- PON Solution
- FTTH Box ODF Closure
- PCI-E Network Card
- Network Cables
- Fiber Optical Adapter
- Fiber Optical Attenuator
- Fiber Media Converter
- PDH Multiplexers
- Protocol Converter
- Digital Video Multiplexer
- Fiber Optical Tools
- Compatible
- Fiber Optic Transceiver Module
- High Speed Cable
- Fiber Optical Cable
- Fiber Optical Patch Cords
- Splitter CWDM DWDM
- PON Solution
- FTTH Box ODF Closure
- PCI-E Network Card
- Network Cables
- Fiber Optical Adapter
- Fiber Optical Attenuator
- Fiber Media Converter
- PDH Multiplexers
- Protocol Converter
- Digital Video Multiplexer
- Fiber Optical Tools
- Compatible
4.25Gbps SFP Optical Transceiver SPT-P854G-S5xD
Features
- Single 3.3 V supply
- Up to 500m on 50/125µm MMF, 300m on 62.5/125µm MMF
- Supports 1.0625/2.125/4.25Gb/s Fibre Channel Operation
- Gigabit Ethernet compatible
- 850nm VCSEL laser transmitter
- SFP MSA SFF-8074i compliant
- Digital Diagnostic SFF-8472 compliant
- Compatible with RoHS
- Operating case temperature: Standard : 0 to +70°C Industrial : -40 to +85°C
Applications
• Tri Rate 1.0625 / 2.125 / 4.25Gbp/s Fibre Channel
• 1.25Gbp/s 1000Base-LX Ethernet and 1000Base-LX10
Description
The transceiver consists of three sections: a850nm VCSEL laser transmitter, a PIN photodiode integrated with a trans-impedance preamplifier (TIA) and MCU control unit. All modules satisfy class I laser safety requirements.
The transceivers are compatible with the Small Form Factor Pluggable Multi-Sourcing Agreement (MSA)1. They are compatible with Fibre Channel per FC-PI-2 Rev. 10.0. Also simultaneously compatible with Gigabit Ethernet as specified in IEEE Std 802.3.
.jpg)
Absolute Maximum Ratings
Table 1 - Absolute Maximum Ratings
|
Parameter |
Symbol |
Min. |
Max. |
Units |
Notes |
|
Storage Temperature |
Tst |
-40 |
+85 |
°C |
- |
|
Operating Case Temperature |
Tc |
0 |
70 |
°C |
- |
|
Operating Humidity |
RH |
5 |
90 |
% |
Non-condensing |
|
Power Supply Voltage |
Vcc-Vee |
0 |
3.6 |
V |
- |
Recommended Operating Conditions
Table 2 - Recommended Operating Conditions
|
Parameter |
Symbol |
Min |
Typical |
Max |
Unit |
|
|
Operating Case Temperature |
Standard |
Tc |
0 |
|
+70 |
°C |
|
Industrial |
-40 |
|
+85 |
°C |
||
|
Power Supply Voltage |
Vcc |
3.13 |
3.3 |
3.47 |
V |
|
|
Power Supply Current |
Icc |
|
|
240 |
mA |
|
Optical and Electrical Characteristics
SPT-854G-S5xD: (VCSEL and PIN, 850nm,500m Reach)
Table 3 - Optical and Electrical Characteristics
|
Parameter |
Symbol |
Min |
Typical |
Max |
Unit |
Notes |
||
|
Transmitter |
||||||||
|
Data Rate |
|
|
4.25 |
|
Gb/S |
|
||
|
Centre Wavelength |
λc |
830 |
|
860 |
nm |
|
||
|
Spectral Width |
∆λ |
|
|
1 |
nm |
|
||
|
Average Output Power(BOL) |
Pout |
-9 |
|
-2.5 |
dBm |
1 |
||
|
Extinction Ratio |
ER |
5 |
|
|
dB |
|
||
|
Average Launch Power-OFF Transmitter |
Pout |
|
|
-45 |
dBm |
|
||
|
Optical Eye Diagram |
Fiber Channel Compliant |
|||||||
|
Optical Rise/Fall Time (20%~80%) |
tr/tf |
|
|
120 |
ns |
|
||
|
Data Input Swing Differential |
VIN |
300 |
|
1800 |
mV |
2 |
||
|
Input Differential Impedance |
ZIN |
90 |
100 |
110 |
Ω |
|
||
|
TX Disable |
Disable |
|
2.0 |
|
Vcc |
V |
|
|
|
Enable |
|
0 |
|
0.8 |
V |
|
||
|
TX Fault |
Fault |
|
2.0 |
|
Vcc |
V |
|
|
|
Normal |
|
0 |
|
0.8 |
V |
|
||
|
Receiver |
||||||||
|
Centre Wavelength |
λc |
830 |
|
860 |
nm |
|
||
|
Receiver Sensitivity(BOL) |
Sen |
|
|
-15 |
dBm |
3 |
||
|
Receiver Overload |
Sat |
0 |
|
|
dBm |
3 |
||
|
LOS De-Assert |
LOSD |
|
|
-20 |
dBm |
|
||
|
LOS Assert |
LOSA |
-25 |
|
|
dBm |
|
||
|
LOS Hysteresis |
|
0.5 |
|
6 |
dB |
|
||
|
Receiver Reflectance |
|
|
|
-20 |
dB |
|
||
|
Data Output Swing Differential |
Vout |
350 |
|
1800 |
mV |
4 |
||
|
Loss of Signal (LOS) Assert Time |
TAssert |
|
|
500 |
nS |
|
||
|
Loss of Signal (LOS) Deassert Time |
TDeassert |
|
|
500 |
nS |
|
||
|
LOS |
High |
2.0 |
|
Vcc |
V |
|
||
|
Low |
|
|
0.8 |
V |
|
|||
Notes:
1. The optical power is launched into SMF.
2. PECL input, internally AC-coupled and terminated.
3. Measured with a PRBS 27-1 test pattern @4250Mbps, BER ≤1×10-12.
4. CML Output,internally AC-coupled.
Timing and Electrical
Table 4 - Timing and Electrical
|
Parameter |
Symbol |
Min |
Typical |
Max |
Unit |
|
Tx Disable Negate Time |
t_on |
|
|
1 |
ms |
|
Tx Disable Assert Time |
t_off |
|
|
10 |
µs |
|
Time To Initialize, including Reset of Tx Fault |
t_init |
|
|
300 |
ms |
|
Tx Fault Assert Time |
t_fault |
|
|
100 |
µs |
|
Tx Disable To Reset |
t_reset |
10 |
|
|
µs |
|
LOS Assert Time |
t_loss_on |
|
|
100 |
µs |
|
LOS De-assert Time |
t_loss_off |
|
|
100 |
µs |
|
Serial ID Clock Rate |
f_serial_clock |
|
|
400 |
KHz |
|
MOD_DEF (0:2)-High |
VH |
2 |
|
Vcc |
V |
|
MOD_DEF (0:2)-Low |
VL |
|
|
0.8 |
V |
Diagnostics
Table 5 – Diagnostics Specification
|
Parameter |
Range |
Unit |
Accuracy |
Calibration |
|
Temperature |
0 to +70 |
°C |
±3°C |
Internal / External |
|
-40 to +85 |
||||
|
Voltage |
3.0 to 3.6 |
V |
±3% |
Internal / External |
|
Bias Current |
0 to 100 |
mA |
±10% |
Internal / External |
|
TX Power |
-9 to -3 |
dBm |
±3dB |
Internal / External |
|
RX Power |
-23 to -3 |
dBm |
±3dB |
Internal / External |
Digital Diagnostic Memory Map
The transceivers provide serial ID memory contents and diagnostic information about the present operating conditions by the 2-wire serial interface (SCL, SDA).
The diagnostic information with internal calibration or external calibration all are implemented, including received power monitoring, transmitted power monitoring, bias current monitoring, supply voltage monitoring and temperature monitoring.
The digital diagnostic memory map specific data field defines as following.

Pin Definitions
Pin Diagram

Pin Descriptions
|
Pin |
Signal Name |
Description |
Plug Seq. |
Notes |
|
1 |
VEET |
Transmitter Ground |
1 |
|
|
2 |
TX FAULT |
Transmitter Fault Indication |
3 |
Note 1 |
|
3 |
TX DISABLE |
Transmitter Disable |
3 |
Note 2 |
|
4 |
MOD_DEF(2) |
SDA Serial Data Signal |
3 |
Note 3 |
|
5 |
MOD_DEF(1) |
SCL Serial Clock Signal |
3 |
Note 3 |
|
6 |
MOD_DEF(0) |
TTL Low |
3 |
Note 3 |
|
7 |
Rate Select |
Not Connected |
3 |
|
|
8 |
LOS |
Loss of Signal |
3 |
Note 4 |
|
9 |
VEER |
Receiver ground |
1 |
|
|
10 |
VEER |
Receiver ground |
1 |
|
|
11 |
VEER |
Receiver ground |
1 |
|
|
12 |
RD- |
Inv. Received Data Out |
3 |
Note 5 |
|
13 |
RD+ |
Received Data Out |
3 |
Note 5 |
|
14 |
VEER |
Receiver ground |
1 |
|
|
15 |
VCCR |
Receiver Power Supply |
2 |
|
|
16 |
VCCT |
Transmitter Power Supply |
2 |
|
|
17 |
VEET |
Transmitter Ground |
1 |
|
|
18 |
TD+ |
Transmit Data In |
3 |
Note 6 |
|
19 |
TD- |
Inv. Transmit Data In |
3 |
Note 6 |
|
20 |
VEET |
Transmitter Ground |
1 |
|
Notes:
Plug Seq.: Pin engagement sequence during hot plugging.
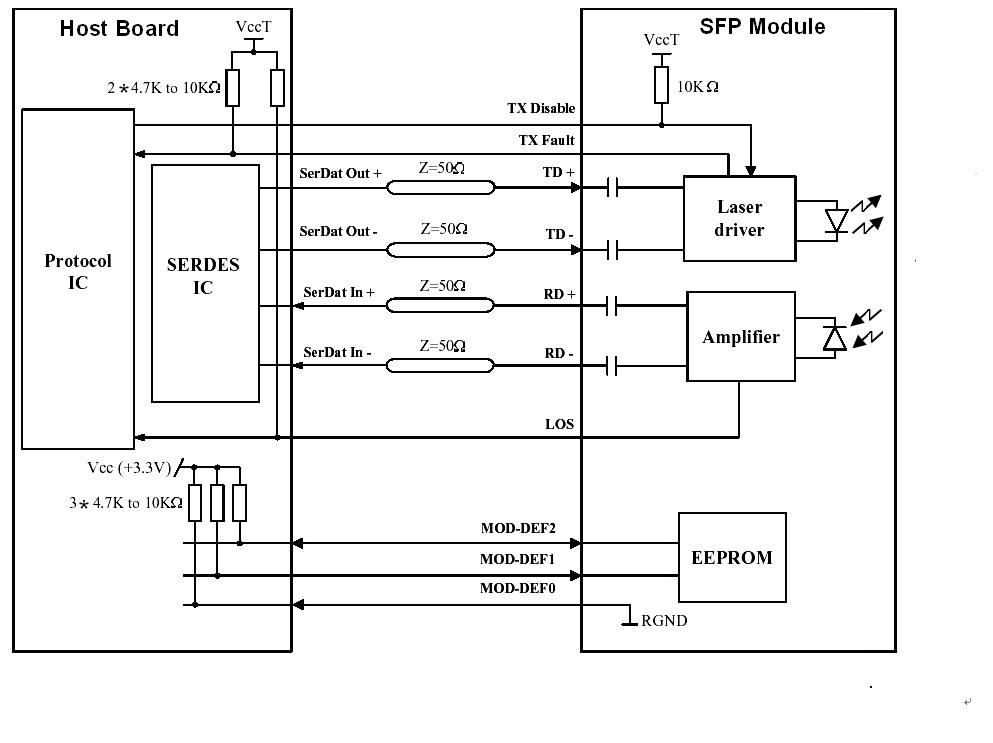
1) TX Fault is an open collector output, which should be pulled up with a 4.7k~10kΩ resistor on the host board to a voltage between 2.0V and Vcc+0.3V. Logic 0 indicates normal operation; Logic 1 indicates a laser fault of some kind. In the low state, the output will be pulled to less than 0.8V.
2) TX Disable is an input that is used to shut down the transmitter optical output. It is pulled up within the module with a 4.7k~10kΩ resistor. Its states are:
Low (0 to 0.8V): Transmitter on
(>0.8V, < 2.0V): Undefined
High (2.0 to 3.465V): Transmitter Disabled
Open: Transmitter Disabled
3) Mod-Def 0,1,2. These are the module definition pins. They should be pulled up with a 4.7k~10kΩ resistor on the host board. The pull-up voltage shall be VccT or VccR.
Mod-Def 0 is grounded by the module to indicate that the module is present
Mod-Def 1 is the clock line of two wire serial interface for serial ID
Mod-Def 2 is the data line of two wire serial interface for serial ID
4) LOS is an open collector output, which should be pulled up with a 4.7k~10kΩ resistor. Pull up voltage between 2.0V and Vcc+0.3V. Logic 1 indicates loss of signal; Logic 0 indicates normal operation. In the low state, the output will be pulled to less than 0.8V.
5) RD-/+: These are the differential receiver outputs. They are internally AC-coupled 100 differential lines which should be terminated with 100Ω (differential) at the user SERDES.
6) TD-/+: These are the differential transmitter inputs. They are internally AC-coupled, differential lines with 100Ω differential termination inside the module.
Recommended Interface Circuit

Mechanical Dimensions

Ordering information
|
Part Number |
Product Description |
|
SPT-854G-S5D |
850nm, 4.25Gbps, 550m, 0ºC ~ +70ºC, With Digital Diagnostic Monitoring |
|
SPT-854G-S5TD |
850nm, 4.25Gbps, 550m, -40ºC ~ +85ºC, With Digital Diagnostic Monitoring |
E-mail: sales@sopto.com
Web : http://www.sopto.com

