
- Sopto Home
-

- 155Mbps Single-Mode BiDi 1X9 Transceiver 20km SPT-NBXX03-S20
- Fiber Optic Transceiver Module
- High Speed Cable
- Fiber Optical Cable
- Fiber Optical Patch Cords
- Splitter CWDM DWDM
- PON Solution
- FTTH Box ODF Closure
- PCI-E Network Card
- Network Cables
- Fiber Optical Adapter
- Fiber Optical Attenuator
- Fiber Media Converter
- PDH Multiplexers
- Protocol Converter
- Digital Video Multiplexer
- Fiber Optical Tools
- Compatible
- Fiber Optic Transceiver Module
- High Speed Cable
- Fiber Optical Cable
- Fiber Optical Patch Cords
- Splitter CWDM DWDM
- PON Solution
- FTTH Box ODF Closure
- PCI-E Network Card
- Network Cables
- Fiber Optical Adapter
- Fiber Optical Attenuator
- Fiber Media Converter
- PDH Multiplexers
- Protocol Converter
- Digital Video Multiplexer
- Fiber Optical Tools
- Compatible
155Mbps Single-Mode BiDi 1X9 Transceiver 20km SPT-NBXX03-S20
155MbpsSingle-Mode BiDi 1X9 Transceiver 20km SPT-NBXX03-S20
Features:
- 3.3V DC power supply
- 155Mbps, 20km
- PECL Signal Detection Output
- Standard SC connector
- Standard industrial 1X9 Package
- ROHS compliant
- Compliant with class one laser product
EN0825-1
Application:
- SONET OC-3 / SDH STM-1 Equipment
- Fast Ethernet 155Mb/s Links
- Optical access network
Ordering Information
|
Part |
Bit |
Distance (km) |
Wave- (nm) |
Voltage |
Package |
TX |
RX |
Signal |
|
SPT-NB |
155 |
20 |
1550/1310 |
3.3V |
SC |
-14~-3 |
-32 |
PECL |
|
SPT-NB |
155 |
20 |
1310/1550 |
3.3V |
SC |
-14~-3 |
-32 |
PECL |
|
SPT-NB |
155 |
20 |
1550/1310 |
3.3V |
FC |
-14~-3 |
-32 |
PECL |
|
SPT-NB |
155 |
20 |
1310/1550 |
3.3V |
FC |
-14~-3 |
-32 |
PECL |
Description
1550T/1310R and 1310T/1550R BiDi 1X9 pair is high performance, cost effective transceiver. It is designed to perform point to point FTTX applications at data rate up to 155Mbps for 20km distance transmission. The specifications data is listed as following table.
|
Absolute Maximum Ratings |
|||||
|
Parameter |
Symbol |
Min. |
Max. |
Units |
Note |
|
Storage Temperature |
Ts |
-40 |
85 |
℃ |
|
|
Power Supply Voltage |
Vcc |
0 |
4 |
V |
|
|
Soldering Temperature |
260 |
℃ |
10 seconds on leads only |
||
|
Input Voltage |
Vin |
GND |
Vcc |
V |
|
|
Output Current |
Iout |
0 |
30 |
mA |
|
|
Recommended Operating Conditions |
|||||
|
Parameter |
Symbol |
Min. |
Typ. |
Max. |
Units |
|
Power Supply Voltage |
Vcc |
3.14 |
3.3 |
3.47 |
V |
|
Operating Temperature |
Top |
0 |
70 |
℃ |
|
|
Data Rate |
|
|
155 |
|
Mbps |
|
Power Supply Current |
Icc |
|
|
250 |
mA |
|
Transmitter Specifications (0oC < Top < 70oC, 3.14V < Vcc < 3.47V) |
|||||
|
Parameter |
Symbol |
Min. |
Typ. |
Max. |
Units |
Optical
|
OpticalTransmit Power |
Po(1310TX/1550RX) |
-14 |
-3 |
dBm |
|
|
Po(1550TX/1310RX) |
-14 |
|
-3 |
||
|
OpticalCenter Wavelength |
λC(1550TX/1310RX) |
1500 |
1550 |
1600 |
nm |
|
λC(1310TX/1550RX) |
1260 |
1310 |
1360 |
||
|
OutputSpectrum Width |
∆λ(1550TX/1310RX) |
|
2 |
4 |
nm(RMS) |
|
∆λ(1310TX/1550RX) |
|
2 |
4 |
nm(RMS) |
|
|
Extinction Ratio |
ER |
12 |
- |
20 |
dB |
|
Output Eye |
Compliance with ITU-T G.957 |
||||
|
Optical Rise Time |
tr |
|
1 |
2 |
ns |
|
Optical Fall Time |
tf |
|
1 |
2 |
ns |
|
RelativeIntensity Noise |
RIN |
|
|
-116 |
dB/Hz |
Electrical
|
Data Input Current – Low |
|
-350 |
|
|
mA |
|
Data Input Current – High |
|
|
|
350 |
mA |
|
DifferentialInput Voltage |
VIH -VIL |
300 |
|
2400 |
mV |
|
Receiver Specifications (0oC < Top < 70oC, 3.14 V < Vcc < 3.47V) |
|||||
|
Parameter |
Symbol |
Min. |
Typ. |
Max. |
Units |
Optical
|
Sensitivity |
Sen |
|
|
-32 |
dBm |
|
MaximumInput Power(Saturation) |
PMAX |
-3 |
|
|
dBm |
|
Signal Detect -- Asserted |
Pa |
|
|
-32 |
dBm |
|
Signal Detect -- Deasserted |
Pd |
-47 |
|
|
dBm |
|
Signal Detect -- Hysteresis |
Phys |
1 |
|
5 |
dB |
|
Wavelength of Operation |
λ(1310TX/1550RX) |
1500 |
1550 |
1600 |
nm |
|
λ(1550TX/1310RX) |
1260 |
1310 |
1360 |
Electrical
|
Data Output Voltage – Low |
VIL –VCC |
-1830 |
-1555 |
mV |
|
Data Output Voltage – High |
VIH –VCC |
-1085 |
-880 |
mV |
|
Signal Detect Output Voltage -- Low |
VSIL –VCC |
-2.0 |
-1.58 |
mV |
|
Signal Detect Output Voltage -- High |
VSIL –VCC |
-1.1 |
-0.74 |
mV |
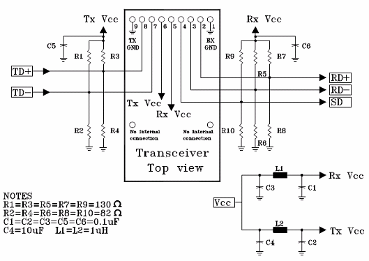
PIN ASSIGNMENT
1 Receiver Signal Ground
2 Receiver Data Out O N .C.
3 Receiver Data Out Bar
4 Signal Detect
5 Receiver Power Supply Top View
6 Transmitter Power Supply
7 Transmitter Data In Bar
8 Transmitter Data In O N.C.
9 Transmitter Signal Ground
Recommended Application Circuits

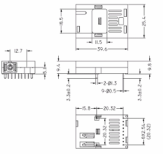
PACKAGE DIAGRAM (Units in mm) SC Type

E-mail: sales@sopto.com
Web : http://www.sopto.com

